
신재생에너지발전설비기사(태양광) 실기 단답을 2013~2022년의 10개년 문제를 정리해보려고 합니다.
아래와 같이 임의로 분류하고, 출제된 횟수는 특수문자 ★로 표현하되, 최대 3번까지 적용합니다.
- 환경조사, 인허가, 사업
- 시스템, 설계
- 시공, 감리
- 유지관리, 시험, 측정
★☆☆
사용전압이 저압인 전로의 절연성능을 나타낸 표이다. 알맞은 절연저항 [MΩ] 값을 쓰시오
| 전로의 사용전압 [V] | DC 시험전압[V] | 절연 저항값 [MΩ] |
| SELV 및 PELV | 250 | 0.5 |
| 1FELV, 500V 이하 | 500 | 1 |
| 500V 초과 | 1000 | 1 |
★☆☆
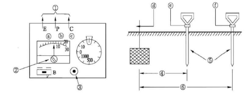
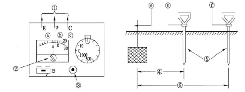
다음 그림은 전자식 접지 저항계를 사용하여 접지극의 접지 저항을 측정하기 위한 배치도 이다. 물음에 답하시오.

1) 그림에서 ①의 측정 단자의 각 접지극의 접속은? ⓐ → ⓓ, ⓑ → ⓔ, ⓒ → ⓕ
2) 그림에서 ②의 명칭은? 영점조정단자
3) 그림에서 ③의 명칭은? 누름 버튼
4) 그림에서 ④의 간격은 몇 [m] 이상인가? 10[m]
5) 그림에서 ⑥의 간격은 몇 [m] 이상인가? 20[m]
6) 그림에서 ⑤의 명칭은? 보조접지극
★☆☆
대지의 고유저항 측정법에는 직독법이 있다. 직독계법 4가지를 쓰이오
- 전위 차계식 접지저항계
- 전압 강하식 접지저항계
- 대지저항율 측정기기에 의한 접지저항 측정
- Hook-On식
★☆☆
4개의 측정탐침(4-Test Probe)을 지표면에 일직선상에 등거리로 설치하고 측정 장비내에서 저주파 전류를 탐침을 통해서 대지에 흘려보내어 대지저항을 측정하는 방식은?
weneer 4전극법(위너4전극법)
★★★
연료전지 및 태양전지 모듈은 최대사용 전압의 1.5배의 직류전압 또는 1배의 교류전압 500[V] 미만으로 되는 경우에는 500[V]을 충전부분과 대지사이에 연속하여 10분간 가하여 절연내력을 시험하였을 때에 이에 견디는 것이어야 한다.
※( )에 들어가는 답은 출제문제마다 상이할 수 있음.
★★★
태양광발전 시공 시 태양전지모듈 배선이 끝난 후 어레이 검사항목 3가지를 쓰시오
- 전압·극성 확인
- 단락전류 측정
- 비접지 확인
★★☆
태양전지 회로의 절연저항을 측정하기 위한 순서 7가지를 쓰시오

1) 주 개폐기 개방(OFF)한다.
2) 단락용개폐기 개방(OFF)한다.
3) 전체 스트링의 MCCB 또는 퓨즈를 OFF 한다.
4) 단락용 개폐기의 1차측(+) 및 (-)의 클립을, 역류방지 다이오드에서 태양전지측과 단로스위치와의 사이에 각각 접속한다. 접속 후 대상으로 하는 스트링 단로스위치를 ON으로 한다. 마지막으로 단락용 개폐기를 ON한다.
5) 절연저항계의 E측을 접지단자에, L측을 단락용 개폐기의 2차측에 접속하고, 메가를 ON하여 저항치를 측정한다.
6) 측정 종료 후에 반드시 단락용 개폐기를 OFF하여 두고, 단로스위치를 OFF로 하고 마지막에 스트링의 클립을 제거한다. 이 순서를 절대로 다르게 해서는 안된다. 단로스위치에는 단락전류를 차단하는 기능이 없으며, 또한 단락상태에서 클립을 제거하면 아크방전이 생겨 측정자가 화상을 입을 가능성이 있다.
7) 서지업 서버의 접지측 단자를 복원하여 대지전압을 측정하여 전류전하의 방전상태를 확인한다.
※ 순서 7가지 또는 4)~7)번 사항 물어보는 문제 출제
★☆☆
그림과 같은 태양광발전시스템의 개방전압을 측정하려고 한다. 측정순서를 4단계로 구분하여 쓰시오

- 접속함의 출력개폐기를 OFF
- 접속함의 각 스트링 단로 스위치를 모두 OFF
- 각 모듈에 음영이 있는지 확인
- 측정하는 스트링의 단로 스위치만 ON, 직류전압계로 각 스트링의 P-N 단자 전압 측정
★☆☆
결정질 실리콘 태양광발전 모듈(KS C 8561:2020)의 습윤 누설 전류 시험의 품질 기준에 대하여 답하시오
1) 모듈의 측정 면적에 따라 0.1[m2]미만에서는 절연 저항 측정값이 몇 [MΩ] 이상인가? 400[MΩ]
2) 모듈의 측정 면적에 따라 0.1[m2] 이상에서는 절연 저항 측정값과 모듈 면적의 곱이 몇 [MΩ·m2] 이상인가? 40[MΩ·m2]
★☆☆
결정질 실리콘 태양광모듈 (성능) (8561 : 2020)에서 최대출력 결정 시험 시 측정사항 5가지를 쓰시오
- 개방전압
- 단락전류
- 최대전압(최대출력 동작전압)
- 최대전류(최대출력 동작전류)
- 곡선율
- (그 외) 효율
★☆☆
접속함 시공완료 후 점검항목 중 측정 사항 2가지를 쓰시오
- 절연저항
- 개방전압
- (그 외) 극성
★☆☆
다음 ( ) 안에 최소 절연 저항 값을 쓰시오
| 시험방법 | 시스템 전압[V] (Voc stc x 1.25) |
시험전압[V] | 최소절연저항[MΩ] |
| 시험방법 1 어레이 양극과 어레이 음극 분리 시험 |
< 120 | 250 | 0.5 |
| 120 ~ 500 | 500 | 1 | |
| > 500 | 1000 | 1 | |
| 시험방법 2 어레이 양극과 어레이 음극을 단선 시킴 |
< 120 | 250 | 0.5 |
| 120 ~ 500 | 500 | 1 | |
| > 500 | 1000 | 1 |
★☆☆
중대형 태양광 인버터(KS C 8565:2020) 품질기준에 대한 사항으로 다음 물음에 답하시오
1) 누설 전류 시험에서 누설 전류는 몇 [mA] 이하인가? 5[mA]
2) 습도 시험에서 절연 저항은 몇 [MΩ] 이상인가? 10[MΩ]
3) 복전해도 5분 이상 재운전 하지 않을 것
★☆☆
그림은 인버터의 절연저항 측정회로이다. ( )에 들어갈 기기의 명칭을 쓰시오

- ① 메가(절연저항계)
- ② 절연트랜스(변압기)
★☆☆
중대형 태양광 발전용 인버터(8565 : 2020) 절연성능 3가지를 쓰시오
- 절연저항 시험
- 내전압 시험(절연내력시험)
- 감전보호 시험
- (그 외) 절연거리 시험
★☆☆
자가용 전기설비의 검사항목 중 전기수용설비 사용 전 검사 4가지만 쓰시오
- 외관 검사
- 접지저항 측정검사
- 절연저항 측정검사
- 절연내력 시험검사
★☆☆
자가용전기설비 검사업무 처리규정에 따라 사용 전 검사 시 전력변환장치 본체의 검사 항목 5가지만 쓰시오
- 외관검사
- 절연저항
- 절연내력
- 제어회로 및 경보장치
- 전력조절부/static 스위치 자동·수동절체시험
★☆☆
광조사 시험 일사계 계측기기의 정확도는 얼마인가?
±2.5[%]
★☆☆
사업용전기설비의 검사업무 처리규정에 따라 태양광발전설비의 사용 전 검사 시 부하운전 시험에서 일사량을 기준으로 기준출력을 확인하고 발전량의 이상 유무 확인을 위해 몇 분 간 운전하는지 쓰시오
30분
★☆☆
다음 그림은 태양광발전설비의 개방전압 측정회로를 나타낸 것이다. 개방전압 측정시 직류전압계를 이용한 개방전압 측정 순서를 4단계로 나누어 순서대로 쓰시오

직류전압계를 이용한 개방전압 측정 순서
- 접속함의 출력측 개폐기를 OFF한다.
- 접속함 각 스트링 MCCB(단로스위치)를 모두 OFF한다.
- 각 모듈에 음영이 발생하지 않은 것을 확인한다.
- 측정하려는 스트링의 MCCB(단로스위치)만 ON하여 직류전압계를 이용하여 각 스트링 P-N 단자간의 전압을 측정한다.
★☆☆
태양전지 모듈에서 전류가 흐르는 부품과 모듈 테두리나 외부 사이에 충분한 절연이 되어 있는지 확인하기 위해 실시하는 시험의 명칭과 방법을 쓰시오
명칭 : 절연시험(절연저항시험)
방법 : 절연저항계를 이용하여 태양전지 모듈의 테두리나 외부 사이에 절연 상태를 측정한다.
★☆☆
트랜스리스 방식을 사용하는 경우 일반적으로 직류측 회로의 비접지를 확인하는 방법 2가지를 쓰시오
- 테스터로 확인방법(멀티터스터기로 확인 방법)
- 검전기로 확인방법
★★☆
태양광발전설비 시스템 준공 검사에서 변압기의 제어 및 경보장치검사의 세부검사 5가지를 쓰시오
- 외관검사
- 절연저항검사
- 경보장치검사
- 제어장치검사
- 계측장치검사
★☆☆
태양광발전시스템의 준공 시 중간단자함(접속함)에 대한 점검항목 및 점검요령을 3가지만 쓰시오
| 점검항목 | 점검요령 |
| 외부의 부식 및 파손 | 부식 및 파손이 없을 것 |
| 방수처리 | 전선 인입구가 실리콘 등으로 방수처리 되어 있을 것 |
| 배선의 극성 | 태양전지에서 배선의 극성이 바뀌어 있지 않을 것 |
| 단자대 나사 풀림 | 확실하게 취부되고 나사의 풀림이 없을 것 |
| 절연저항(태양전지 - 접지간) | |
| 절연저항(중간단자함 출력단자 - 접지간) | |
| 개방전압 및 극성 | 규정 전압이어야 하고 극성이 올바를 것 (각 회로마다 측정) |
★★☆
태양광 발전시스템 운영 시 비치하여야 할 목록 5가지만 쓰시오
- 발전시스템에 사용된 핵심기기의 매뉴얼(인버터 등)
- 발전시스템 운영 매뉴얼
- 발전시스템에 사용된 부품 및 기기의 카탈로그
- 발전시스템 일반점검표
- 발전시스템의 한전계통연계 관련 서류
- (그 외) 발전시스템 건설 관련 도면
- (그 외) 발전시스템 시방서 및 계약서 사본
- (그 외) 발전시스템 구조물의 구조계산서
- (그 외) 전기안전관련 주의 명판 및 안전경고표시 위치도
- (그 외) 전기안전관리용 정기점검표
- (그 외) 발전시스템 긴급복구 안내문
- (그 외) 발전시스템 안전교육 표지판
★☆☆
그림은 운전상태에 따른 시스템 발생신호를 나타낸 것이다. 물음에 답하시오

1) 현재 상태에 대한 이상 신호는?
태양전지 전압 이상 시 운전
2) 조치사항은?
태양전지 전압 점검 후 정상 시 5분 후 재가동
★☆☆
여러 개의 태양전지 모듈의 스트링을 하나의 접속점에 모아 보수·점검 시 회로를 분리하거나 점검 작업을 용이하게 하며, 태양전지 어레이에 고장이 발생해도 정지범위를 최대한 적게 하는 등의 목적으로 보수·점검이 용이한 장소에 설치하는 것은?
접속함
★☆☆
추적식 태양광발전방식의 경우 일출과 일몰시 전면의 태양광발전 어레이에 의한 음영손실을 줄이기 위해 소정기간 동안 태양광발전 모듈의 표면에 음영이 발생하지 않도록 각도를 조정하는 기능은?
백트래킹(Back tracking)
★☆☆
보수점검의 분류 중 설비의 상태가 운전 중이고 점검횟수가 1회/1주 ~ 1회/3개월인 것은?
일상점검
★☆☆
일상 순시 점검사항 중 내장기기, 부속기기의 차단기 점검개소 5가지를 쓰시오
- 외부일반
- 개폐표시기
- 개폐표시등
- 개폐도수계
- 조작장치
★☆☆
차단기(주회로용, 배선용)의 점검개소 4가지를 쓰시오. (단, 외부일반 제외)
- 개폐 표시기
- 개폐 표시등
- 개폐 도수계
- 조작장치
★☆☆
일상순시 점검 사항 중 내장기기, 부속기기 주회로용 차단기 점검사항 4가지를 쓰시오
- 코로나 방전 등에 의한 이상한 소리는 없는가
- 코로나 방전, 과열에 의한 이상한 냄새는 나지 않는가
- 표시는 정확한가
- 개폐기구의 핸들과 표시등의 상태는 올바른가
★☆☆
태양광발전설비 중 송전설비에 해당하는 차단기의 일상순시점검 사항 5가지를 쓰시오
- 코로나 방전 등에 의한 이상한 소리는 없는가
- 코로나 방전 또는 과열에 의한 이상한 냄새는 나지 않는가
- GCB의 경우 가스 누출은 없는가
- 표시는 정확한가
- 기계적인 수명횟수에 도달하여 있지 않은가
★☆☆
태양광발전설비에 사용되는 변압기의 일상점검 항목 5가지만 쓰시오
- 코로나 방전 등에 의한 이상한 소리는 없는가 확인
- 코로나 방전, 과열에 의한 이상한 냄새가 나지 않는가 확인
- 절연유의 누출은 없는가 확인
- 온도계 지시는 소정의 범위 내에 있는가 확인
- 유면은 적당한 위치에 있는가 확인
★★☆
태양광발전설비 일상점검 사항이다. 다음 ( )에 해당하는 작업요령을 쓰시오
| 작업항목 | 작업기준 | 작업요령 |
| 전압 | 각 선간전압은 정상인가 | 절환스위치로 각 선간전압 측정 |
| 전류 | 부하 전류는 정상인가 | 각 상전류는 평행인가 정격치 이내에 있는가를 점검 |
| 계기류 | 이상의 유무 | 이상의 유무 점검 |
| 개폐표시 | 표시등 | 표시등 이상 유무의 점검 |
| 이상한 냄새 | 이상한 냄새의 유무 | 냄새를 맡아본다. |
| 애자 | 파손의 유무, 먼지 부착 유무 | 눈으로 점검, 코로나에 주의 |
| 도체 | 과열되어 변색되어 있지 않는가 | 접속볼트 조임 부분에 특히 주의 |
※ 3가지씩 답 작성 문제 출제
★★★
일상(순시)정기 점검처리 절차 및 방법에 대한 다이어그램이다. 빈칸에 알맞은 내용을 쓰시오

※ 세가지 쓰는 문제 출제됨
★☆☆
태양광발전설비 정기검사 중 전력변환장치(인버터) 검사 항목 4가지만 쓰시오
- 단독운전 방지시험
- 절연저항
- 절연내력
- 제어회로 및 경보장치
★☆☆
원칙적으로 정전을 시켜놓고 무전압 상태에서 기기의 이상 상태를 점검하거나, 필요에 따라서 기기를 분해하는 점검방법은?
정기점검
★☆☆
태양광 발전설비 규모별 정기점검 횟수에 관한 사항이다. 다음 ( )에 알맞은 점검횟수를 쓰시오
| 용량별 | 점검횟수 | |
| 저압 | 1 ~ 300[kW] 이하 | 월 1회 |
| 300[kW] 초과 | 월 2회 | |
| 고압 | 1 ~ 300[kW] 이하 | 월 1회 |
| 300[kW] 초과 ~ 500[kW] 이하 | 월 2회 | |
★☆☆
태양광발전 설비의 규모별 정기점검 및 횟수에 관한사항이다. 다음 ( )에 알맞은 답을 쓰시오
| 용량별 | 점검횟수 | 점검간격 | |
| 저압 | 1 ~ 300[kW] 이하 | 월 1회 | 20일 이상 |
| 300[kW] 초과 | 월 2회 | 10일 이상 | |
★☆☆
태양광발전시스템에 설치되는 변압기 외부의 일반적인 점검내용에 대하여 5가지를 쓰시오
- 운전사항
- 변압기온도
- 소리진동
- 냄새
- 외관점검
★★★
보수 점검계획의 수립에 있어서 고려해야 할 사항 4가지만 쓰시오
- 설비의 사용기간
- 설비의 중요도
- 환경조건
- 고장이력
- 부하상태
★☆☆
태양광발전설비의 유지보수 계획 수립 시 고려 사항 4가지를 쓰고 내용을 쓰시오
- 설비의 사용기간 : 장시간 사용한 설비의 고장확률이 높으므로 점검 내용을 세분화하고, 점검 주기를 단축한다.
- 설비의 중요도 : 수전선 사고의 경우는 전 구간 정전, 주요 부하용 설비는 해당 구간만 정전된다.
- 환경조건 : 설비 설치환경이 옥내, 옥외인가, 분진이 많은가 적은가, 환기의 양부, 습기의 다소, 특수 가스의 유무, 진동의 유무 등에 의해 절연물의 열화, 금속의 부식, 과열, 더 나아가서는 수명단축 등의 가능성이 높다.
- 고장이력 : 환경조건에 의한 고장 다발 설비는 재발장치를 위해 점검을 강화한다.
- (그 외) 부하상태 : 사용 빈도가 높은 설비, 부하의 증가, 환경조건의 악화 등을 과부하 상태로 된 설비 등은 점검 주기를 단축해야 한다.
★★☆
태양광발전시스템을 보수점검 하려고 한다. 무전압 상태확인 및 안전조치를 위한 점검사항을 5가지만 쓰시오
① 원격지의 무인감지 제어시스템의 경우 원격지에서 차단기가 투입되지 않도록 연동장치를 쇄정한다.
② 관련된 차단기, 단로기를 열고 주회로에 무전압이 되게 한다.
③ 검전기로서 무전압 상태를 확인하고 필요개소에 접지한다.
④ 차단기는 단로 상태가 되도록 인출하고 '점검 중'이라는 표시판을 부착한다.
⑤ 단로기 조작은 쇄정시킨다.
(그 외) ⑥ 특히 수전반 또는 모선 연락반 등과 같이 전원이 역으로 돌아 나오는 경우에는 상대단의 개폐기에 대해서 상기 ④항의 조치를 취한다.
(그 외) ⑦ 전류전압에 대한 주의는 콘덴서 및 케이블의 접속부를 점검할 경우에 잔류전압을 방전시키고 접지를 행한다.
(그 외) ⑧ 오조작 방지는 전원의 쇄정 및 주의 표지를 부착한다.
(그 외) ⑨ 절연용 보호기구를 준비한다.
(그 외) ⑩ 쥐, 곤충류 등이 배전반에 침입할 수 업도록 대책을 세운다.
★☆☆
유지관리비의 구성요소 4가지를 쓰시오
- 일반관리비
- 유지비
- 보수비와 개량비
- 운영 지원비
★★☆
축전지가 다음과 같은 현상일 때 이러한 현상을 무엇이라 하는지 쓰시오
극판이 백색으로 되거나 백색 반점이 생긴다.
비중이 저하하고 충전 용량이 감소한다.
충전시 전압 상승이 빠르고 다량으로 가스가 발생한다.
설페이션(Sulfation) 현상
'에너지 > 신재생에너지발전설비기사(태양광) 실기' 카테고리의 다른 글
| [신재생에너지발전설비기사(태양광) 실기 계산 02] 태양광발전의 발전량, 발전원가, 판매수익, 경제성검토 계산 (2) | 2024.12.13 |
|---|---|
| [신재생에너지발전설비기사(태양광) 실기 계산 01] 시공 관련 계산 문제 (4) | 2024.11.28 |
| [신재생에너지발전설비기사(태양광) 실기] 단답형 총정리_시공, 감리 (2) | 2024.11.12 |
| [신재생에너지발전설비기사(태양광) 실기] 단답형 총정리_시스템, 설계 (0) | 2024.11.12 |
| [신재생에너지발전설비기사(태양광) 실기] 단답형 총정리_환경조사, 인허가, 사업 (2) | 2024.07.04 |