
신재생에너지발전설비기사(태양광) 실기 단답을 2013~2022년의 10개년 문제를 정리해보려고 합니다.
아래와 같이 임의로 분류하고, 출제된 횟수는 특수문자 ★로 표현하되, 최대 3번까지 적용합니다.
- 환경조사, 인허가, 사업
- 시스템, 설계
- 시공, 감리
- 유지관리, 시험, 측정
★☆☆
태양광발전 어레이의 출력 불균형이 심각하게 발생할 우려가 있을 경우 또는 2차전지를 사용하는 독립형 시스템의 경우에는 모듈의 보호를 위해 접속함 개별 스트링 회로의 음극 또는 양극에 역류 방지용 다이오드를 선택적으로 시설할 수 있다. 이 부품의 명칭과 설치 위치를 쓰시오
- 부품명칭 : 역류방지 다이오드
- 설치위치 : 접속함 내 또는 모듈 단자함 내부에 설치한다.
★★★
태양전지 모듈에 다른 태양전지 회로와 축전지의 전류가 유입되는 것을 방지하기 위해 접속함 내에 설치하는 소자를 쓰시오
역류방지 다이오드
★☆☆
다음 각 설명에 대한 소자의 이름을 쓰시오
1) 고 저항이 된 태양전지 셀 또는 모듈에 흐르는 전류를 우회할 목적으로 설치하는 것은?
바이패스소자
2) 태양전지 모듈에 다른 태양전지 회로와 축전지의 전류가 흘러 들어오는 것을 방지하기 위해 설치하는 것은?
역류방지소자
3) 인덕터에 흐르는 전류가 단방향일 때, 인덕터 또는 인덕터를 포함한 부하와 병렬로 접속되어 있는 다이오드는?
환류다이오드
★☆☆
태양전지모듈의 접속반에 사용되는 바이패스 다이오드 사용목적은?
태양전지모듈에 영향을 주는 부분 음영에 의한 태양전지와 모듈의 파손을 방지하기 위해 흐르는 전류를 우회시키는 역할을 수행한다.
★☆☆
태양전지 셀이 청색인 이유를 쓰시오
태양광의 반사를 낮추고, 흡수율을 높여 발전효율을 높이기 위함이다.
★★☆
태양전지 모듈에 입사된 빛 에너지가 변화되어 발생하는 전기적 출력특성 I-V 특성곡선 요소 5가지를 쓰시오
- 최대출력(Pmpp)
- 개방전압(Voc)
- 단락전류(Isc)
- 최대출력 동작전압(Vmpp)
- 최대출력 동작전류(Impp)
★☆☆
결정질 실리콘 태양광발전 모듈(성능)(KS C 8561 : 2020)에 따라 성능평가 시험 장치에 대한 설명이다. ( )안에 들어갈 내용을 쓰시오 (단, ± 표시가 있는 항목은 ± 를 함께 쓰시오)
솔라 시뮬레이터는 태양광발전 모듈의 발전 성능을 옥내에서 시험하기 위한 인공 광원이며 KS C IEC 60904-9에서 규정하는 방사조도 ±2[%] 이내, 광원 균일도 ±2[%] 이내 A등급 이상으로 한다.
★☆☆
결정질 실리콘 태양광발전 모듈(성능)(KS C 8561 : 2020)에 따른 최대 출력 결정시험에 대한 내용이다. 다음 물음에 ( )에 들어갈 숫자를 쓰시오
1) 이 시험은 환경시험 전후에 모듈의 최대 출력을 결정하는 시험으로 인공 광원법에 의해 태양광발전 모듈의 I-V 특정 시험을 수행하여, AM 1.5, 방사조도 1[kW/m2]이다.
2) 온도 25℃ 조건에서 기준 태양전지를 이용하여 시험을 실시하여 개방전압(Voc), 단락전류(Isc), 최대전압(Vmax), 최대전류(Imax), 최대출력(Pmax), 곡선율(FF) 및 효율(Eff)을 측정한다.
3) KS C IEC 61215에서 정하는 KS C IEC 60904-9의 솔라 시뮬레이터를 사용하여 KS C IEC 60904-1 시험방법에 따라 시험한다.
★☆☆
태양전지 모듈의 구성하는 부품 5가지만 쓰시오
- 프론트커버
- 씰재
- 태양전지셀
- 내부연결전극
- 단자함
※ 참조 사진

★☆☆
태양전지 모듈 또는 태양전지 판넬을 취부하기 위한 지지물로 사용되는 재료의 명칭을 쓰시오
프레임
★☆☆
태양전지 모듈의 표준시험(STC) 조건 3가지를 쓰시오
| 모듈온도[℃] | 일사강도[W/m2] | 대기질량지수 |
| 25 | 1000 | 1.5 |
★☆☆
태양전지의 모듈을 선정할 때 고려사항 4가지만 쓰시오
- 효율
- 출력허용오차
- 신뢰성
- 경제성
★☆☆
다음의 태양전지모듈 종류에 대하여 충진율이 높은 제품에서 낮은 제품 순으로 나열하시오
단결정 실리콘 태양전지 - 다결정 실리콘 태양전지 - CIS - CdTe
※
| 모듈 유형 | FF인자(충진율, 곡선인자) |
| 결정질 실리콘 모듈(단결정, 다결정) | 0.75 ~ 0.85 |
| CIS 모듈 | 0.64 ~ 0.70 |
| 비정질 실리콘 모듈 | 0.5 ~ 0.7 |
| CdTe모듈 | 0.47 ~ 0.64 |
(단, 같은 면적에서도 단결정모듈이 다결정보다 효율이 높아 충진율이 더 높다.)
★☆☆
일반적인 단결정 실리콘 태양전지의 곡선인자(충진율, Fill Factor)는 얼마인지 범위를 쓰시오
단결정 실리콘 태양전지 충진율 : 0.75 ~ 0.85
★☆☆
태양광전지 어레이 접속함의 성능 검사를 위함 평가기준 및 시험방법(KS C 8567:2019)에 따라 접속함 출력회로의 정격 전압보다 몇 배 이상의 전압 정격을 갖는가?
1.2배
★☆☆
태양광 어레이 구조물의 구성요소 4가지만 쓰시오
- 프레임
- 지지대
- 기초판
- 앵커볼트
★☆☆
태양광 어레이를 구성하기 위해 태양전지모듈의 직병렬을 구성하는 올바른 순서를 나열하시오
| (가) 태양 전지모듈 결정 | (나) 태양광 직렬모듈 수 산정 |
| (다) 태양광 병렬모듈 수 산정 | (라) 직병렬 모듈 수량 산정 |
| (마) 인버터 용량 산정 | (바) 설비 면적 산정 |
(바) - (가) - (마) - (나) - (다) - (라)
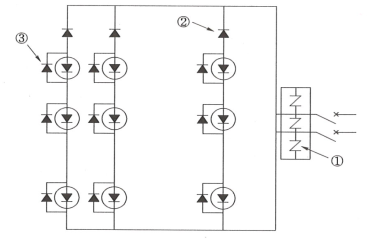
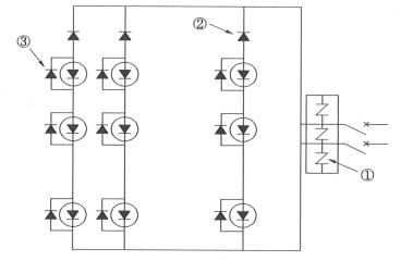
★★☆
태양전지 어레이의 전기회로 계통을 나타낸 회로도이다. 소자 명칭을 쓰시오

①SPD(피뢰소자 또는 서지보호장치)
②역저지 다이오드(역류방지 다이오드)
③바이패스 다이오드
★☆☆
우리나라의 태양광 어레이 설치 경사각(최소부터 최대)을 쓰고 방위각(설치방향)을 쓰시오 (단, 강릉과 제주는 제외한다)
경사각 : 30˚ ~ 33˚로 설치
방위각 : 정남향 설치
★★★
인버터 기능 4가지만 쓰시오
- 자동운전 정지 기능
- 최대전력 추종제어 기능
- 단독운전 방지 기능
- 자동전압 조정 기능
- (그 외) 직류검출 기능
- (그 외) 직류지락전류 검출 기능
- (그 외) 계통연계 보호 기능
★★☆
인버터 선정 시 고려해야 할 사항에서 전력품질·공급 안전성에 관한 사항 4가지를 쓰시오
- 잡음발생이 적을 것
- 고조파 발생이 적을 것
- 기동·정지가 안정적일 것
- 직류성분이 적을 것
★★☆
그림과 같은 인버터 방식과 장단점을 각각 쓰시오

1) 인버터 방식명 : 중앙 집중형 인버터 방식
2) 장점 : 음영의 영향을 적게 받는다. 스트링에서 가장 음영이 많이 지는 모듈 전류에 따라 전체 스트링 전류가 결정된다.
3) 단점 : 높은 전류가 발생한다. 저항손실을 줄이기 위해서는 상대적으로 사이즈가 굵은 케이블 간선이 사용된다.
★☆☆
분산형전원을 인버터를 이용하여 배전사업자의 저압 전력계통에 연계하는 경우 인버터로부터 직류가 계통으로 유출되는 것을 방지하기 위하여 접속점(접속설비와 분산형전원 설치자측 전기설비의 접속점을 말한다)과 인버터 사이에 상용주파수 변압기(단권변압기를 제외한다)를 시설하여야 한다. 상용주파수 변압기를 생략해도 되는 조건 2가지를 쓰시오
- 인버터의 직류 측 회로가 비접지인 경우 또는 고주파 변압기를 사용하는 경우
- 인버터의 교류출력 측에 직류 검출기를 구비하고, 직류 검출 시에 교류출력을 정지하는 기능을 갖춘 경우
★★★
인버터 회로도를 참고하여 절연방식을 쓰고 설명하시오.
※ 절연방식과 설명을 쓰는 문제 다수 출제, 그리고 회로도 작성 문제도 출제된다.

| 절연방식 | 설명 |
| 상용주파 변압기 절연방식 | 태양전지 직류출력을 상용주파의 교류로 변환한 후 변압기로 절연한다. |
| 고주파 변압기 절연방식 | 태양전지의 직류출력을 고주파 교류로 변환한 후, 소형 고주파 변압기로 절연한다. 그 다음 일단 직류로 변환하고 다시 상용주파수 교류로 변환한다. |
| 트랜스리스 방식 | 태양전지의 직류출력 DC-DC 컨버터로 승압하고 인버터로 상용주파의 교류로 변환한다. |
★☆☆
인버터의 회로 방식 중에서 고주파 변압기 절연방식에 관한 사항 3가지만 쓰시오
- 소형이고 경량이다.
- 회로가 복잡하다.
- 직류출력을 교류출력으로 변환한 후 소형의 고주파 변압기로 절연한다.
★★☆
그림은 인버터의 절연저항 측정회로이다. 태양광발전 시스템에 사용되는 인버터의 입력측 절연저항 측정순서를 4가지 순서로 나열하시오

- 태양전지 회로를 접속함에서 분리한다.
- 분전반 내의 분기 차단기를 개방한다.
- 직류 측의 모든 입력단자 및 교류 측 전체의 출력단자를 각각 단락한다.
- 직류단자와 대지간의 절연저항을 측정한다.
★☆☆
전력회사의 배전망에서 전기적으로 끊어져 있는 배전선으로 태양광발전시스템에서 전력이 공급되어 보수점검자에게 위해를 끼칠 위험이 있으므로 태양광발전시스템의 운전을 정지시키는 인버터의 기능은?
단독운전 방지기능
★★★
태양광 인버터에는 단독운전 방지기능이 내장되어 있다. 단독운전 방지기능 중 능동적 방식 4가지를 쓰시오
- 주파수 시프트방식
- 유효전력 변동방식
- 무효전력 변동방식
- 부하 변동방식
★☆☆
계통연계형 태양광발전용 인버터 단독운전 방지기능에서 수동적 방식 3가지를 쓰시오
- 전압위상도약검출방식
- 제3차 고조파 전압급증 검출방식
- 주파수 변화율 검출방식
★☆☆
태양광발전에 사용되는 인버터에서 단독운전 방지 측정에 대한 시험절차(KS C IEC 62116:2020)에서 인버터 내 단독운전 검출 기능에 대한 시험 중 다음에 해당 사항에 대하여 답하시오
| 항목 | 조건 |
| 전압 | 공칭 V ± 2.0% |
| 전압 THD | < 2.5% |
| 주파수 | 공칭 주파수 ± 0.1Hz |
| 위상각 거리 | 1.5˚ |
| * 3상의 경우만 해당 | |
★☆☆
태양전지모듈 하나 당 하나의 인버터가 연결되는 인버터 방식은?
모듈 인버터 방식
★☆☆
인버터 이상신호 조치방법에서 인버터 표시 ①~⑤를 현상설명을 쓰시오
| 모니터링 | 인버터표시 | 현상설명 | 조치사항 |
| 태양전지 과전압 | Solar Cell OV fault | 태양전지 전압이 규정 이상일 때 발생(H/W) | 태양전지 전압 점검 후 |
| 태양전지 저전압 | Solar Cell UV fault | 태양전지 전압이 규정 이하일 때 발생(H/W) | 정상 시 5분후 재가동 |
| 태양전지 고전압 제한초과 | Solar Cell OV limit fault | 태양전지 전압이 규정 이상일 때 발생(S/W) | |
| 태양전지 저전압 제한초과 | Solar Cell UV limit fault | 태양전지 전압이 규정 이하일 때 발생(S/W) | |
| 한전계통의 고주파수 | Line under frequency fault | 계통 주파수가 규정치 이하일 때 발생 | 계통 주파수 확인 후 정상시 5분 후 재가동 |
★★★
태양광발전설비의 구조물을 설계 시 고려할 하중 5가지를 쓰시오
- 적설하중
- 풍하중
- 고정하중
- 활하중
- 지진하중
★☆☆
태양광발전시스템 설계를 위해 어레이의 설계하중 검토 시 수직하중과 수평하중에 공통으로 적용되는 하중은 무엇인가?
적설하중
★★☆
눈이 20~30[cm] 쌓이는 적설지대에서 자연적으로 눈이 흘러 내리도록 하려고 한다. 태양광 어레이 경사각은 몇도 이상으로 하여야 하는가?
45˚
★☆☆
태양광 발전방식 중 경사가변식 장점과 단점을 각각 쓰시오
1) 장점 : 고정식 대비 발전량 증가
2) 단점 : 경사가변으로 운영비 증가
★☆☆
태양광발전의 구조물을 설치하는 방법은 고정형, 경사가변형, 추적식 등이 있다. 이 중 경사가변형의 특징을 쓰시오
- 경사가변형 구조물을 설치하는 방식은 고정형과 같은 발전부지를 이용하면서 발전량을 증가시키는 방법이다.
- 동절기에는 경사각을 높이고, 하절기에는 경사각을 낮추어 최대 발전량을 얻을 수 있다.
★☆☆
태양광발전시스템의 경사가변식 구조물에 대하여 설명하시오
태양고도가 높은 하지에 경사각을 가장 낮게 설치하고, 태양고도가 낮은 동지에는 경사각을 가장 높게 설치하여 집광을 높게 한다.
★☆☆
적설하중에서 경사지붕의 적설 하중 계산 시 고려사항 2가지를 쓰시오
- 평지붕하중의 적설하중
- 지붕경사도 계수
※ Sn = Sf x Cs [kN/m2]
Sn : 경사지붕의 적설하중
Sf : 평지붕하중의 적설하중
Cs : 지붕경사도 계수
★☆☆
경사지붕의 적설하중을 계산하기 위해서 평지붕하중의 적설하중과 함께 고려하여야 할 사항은?
지붕경사도 계수
★☆☆
신·재생에너지 설비의 지원 등에 관한 지침에 따라 지상형(산지, 농지, 일반지상) 공통 준수사항에서 정의하는 다음 용어의 내용을 쓰시오 (단, 반드시 신·재생에너지 설비의 지원 등에 관한 지침에 표현된 문구를 사용할 것)
1) 스파이럴(Spiral) 공법
콘크리트 기초와 다르게 토지에 직접 스파이럴 파일(나선형 구조물)을 삽입하는 공법
2) 레이밍 파일(Ramming Pile) 공법
토지에 직접 U형, C형, H형 단면 등의 파일 기초를 삽입하는 공법
3) 스크류(Screw) 공법
토지에 직접 스크류 파일을 삽입하는 공법
★☆☆
얕은기초 설계기준(일반설계법)(KDS 11 50 05 : 2016)에 따른 각 기초에 대하여 설명하시오
- 전면기초 : 상부구조물의 여러 개의 기둥을 하나의 넓은 기초 슬래브로 지지시킨 기초형식이다.
- 줄기초 : 벽체를 자중으로 연장한 기초로서 길이 방향으로 긴 기초를 말한다.
- 확대기초 : 기초 저면의 단면을 확대한 기초형식이다.
- 강성기초 : 기초지반에 비하여 기초판의 강성이 커서 기초판의 변형을 고려하지 않는 기초로서 기초의 변위 및 안정 계산 시 기초 자체의 탄성변형을 무시할 수 있는 기초를 말한다.
- 연성기초 : 지반강성에 비하여 기초판의 강성이 상대적으로 자강서 지반 반력이 등분포로 작용하는 기초를 말한다.
★☆☆
얕은 기초 설계기준(KDS 11 50 05:2016)에 해당하는 기초 5가지를 쓰시오
- 전면기초
- 줄기초
- 확대기초
- 강성기초
- 연성기초
★☆☆
태양광발전에 사용되는 기초의 형식 결정을 위한 고려사항 2가지만 쓰시오
- 지반조건
- 상부 구조물의 특성 및 하중
- (그 외) 상부 구조물의 하중
- (그 외) 기초 형식에 따른 경제성 비교
★☆☆
다음 보기에서 태양광발전시스템의 최대출력에 영향을 주는 요소를 모두 골라 쓰시오
| 태양광 강도 | 모듈의 주위온도 | 모듈의 주위습도 | 분광분포 |
- 태양광 강도
- 모듈의 주위온도
- 분광분포
★☆☆
전압의 구분은 다음과 같다. 다음 빈칸에 알맞은 값을 적으시오
| 저압 | 직류 : 1500[V] 이하 교류 : 1000[V] 이하 |
| 고압 | 직류 : 1500[V]를 초과하고, 7000[V] 이하 교류 : 1000[V]를 초과하고, 7000[V] 이하 |
| 특고압 | 7000[V]를 초과 |
★☆☆
단락전류를 계산하는 방법 중 다음의 ( )안에 들어갈 내용을 쓰시오
| 종류 | 설명 |
| 오옴법 | 단락전원으로부터 고장점까지의 각 임피던스 값을 옴(ohm)으로 환산하여 단락전류를 산출 |
| 퍼센트 임피던스법 | 각 임피던스를 기준량, 기준전압에 대한 임피던스로 환산하고 전기 계산에 필요로하는 양을 퍼센트로 표시한 후에 옴의 법칙을 적용 |
| 단위법 | 어떤 기준용량(Base)을 정하고 그 기준전압 또는 기준전류의 배수로 환상하여 표시하는 것 |
★☆☆
다음 표는 연계구분에 따른 계통의 전기방식이다. ( ) 안에 적합한 전압을 쓰시오
| 구분 | 연계계통의 전기방식 |
| 저압 한전계통 연계 | 교류 단상 220[V] 또는 교류 3상 380[V] 중 기술적으로 타당하다고 한전이 정한 한 가지 전기 방식 |
| 특고압 한전계통 연계 | 교류 삼상 22900[V] |
★☆☆
보호도체의 최소 단면적에 관한 사항이다. 빈칸에 알맞은 값을 적으시오
| 선도체의 단면적 S (mm2, 구리) |
보호도체의 최소 단면적 (mm2, 구리) | |
| 보호도체의 재질 | ||
| 선도체와 같은 경우 | 선도체와 다른 경우 | |
| S ≤ 16 | S | (k1/k2) x S |
| 16 < S ≤ 35 | 16a | (k1/k2) x 16 |
| S > 35 | Sa / 2 | (k1/k2) x (S/2) |
※ 전기기사 실기에서는 a승수가 없다.
★☆☆
다음은 전압강하에 관련된 사항이다. ( )안에 알맞은 내용을 답하시오
1) 태양전지판에서 인버터 입력단간 및 인버터 출력단과 계통연계점간의 전압강하는 각 3[%] 이하을(를) 초과하여서는 안된다.
2) 전선길이가 60[m]를 초과할 경우에는 아래 표에 따라 시공할 수 있다. 전압강하 계산서(또는 측정치)를 설치확인 신청 시에 제출한다.)
| 전선길이 | 전압강하 |
| 120[m] 이하 | 5[%] 이하 |
| 200[m] 이하 | 6[%] 이하 |
| 200[m] 초과 | 7[%] 이하 |
3) 전압강하 계산식을 빈칸에 써넣으시오
| 구분 | 전압강하 | 전선 단면적 |
| 직류 2선식 단상 2선식 |
||
| 단상 3선식 직류 3선식 3상 4선식 |
||
| 3상 3선식 |
★☆☆
태양광발전설비 시공기준에서 전선 길이에 따른 전압강하 [%]를 쓰시오
| 전선길이 | 전압강하 |
| 60[m] 이하 | 3[%] 이하 |
| 120[m] 이하 | 5[%] 이하 |
| 200[m] 이하 | 6[%] 이하 |
| 200[m] 초과 | 7[%] 이하 |
★☆☆
태양광 발전시스템 전기 설계를 위한 기본계획 설계 흐름도의 ( )안에 들어갈 내용을 올바르게 쓰시오

★★☆
수전실 등의 시설과 관련하여 수전설비의 변압기, 배전반 등의 최소 유지거리[m]를 ( )안에 쓰시오
| 위치별 | 앞면 또는 조작·계측면 |
뒷면 또는 점검면 |
열상호간 (점검하는 면) |
기타의 면 |
| 기기별 | ||||
| 특고압 배전반 | 1.7[m] | 0.8[m] | 1.4[m] | - |
| 고압 배전반 | 1.5[m] | 0.6[m] | 1.2[m] | - |
| 저압 배전반 | 1.5[m] | 0.6[m] | 1.2[m] | - |
| 변압기 등 | 0.6[m] | 0.6[m] | 1.2[m] | 0.3[m] |
★★★
계통연계로 운영되는 태양광발전시스템 중 역송전이 있는 저압연계시스템에서 필요로 하는 보호계전기 4가지를 쓰시오
- 과전압계전기(OVR)
- 저전압계전기(UVR)
- 과주파수계전기(OFR)
- 저주파수계전기(UFR)
★☆☆
분산형전원의 이상 또는 고장 발생 시 이로 인한 영향이 연계된 계통으로 파급되지 않게 분산형전원을 보호계전기 또는 동등 이상의 기능을 가진 장치를 설치하여 계통과의 연계를 분리할 수 있도록 설비를 갖추어야 하는 계전기 5가지를 쓰시오
- 과전압계전기(OVR)
- 저전압계전기(UVR)
- 과주파수계전기(OFR)(역조류가 있는 경우)
- 저주파수계전기(UFR)
- 역전력계전기(RPR)(역조류가 없는 경우)
★☆☆
비절연 인버터 계통의 지락보호에서 잔류전류보호장치는 지락전류가 급 격회 변화하는 경우 같은 시간 내에 동작하여야 한다. 알맞은 동작시간을 쓰시오
| 지락전류의 급격한 변화 동작시간 | 동작시간 |
| ΔIg = 30 mA/sec | < 300ms |
| ΔIg = 60 mA/sec | < 150ms |
| ΔIg = 150 mA/sec | < 40ms |
★★☆
다음 물음에 답하시오
1) 피뢰시스템 중 뇌격전류를 안전하게 대지로 전송하는 것은? 인하도선시스템
2) 피뢰시스템 중 구조물의 뇌격을 받아들이는 것은? 수뢰시스템
3) 피뢰시스템 중 뇌격전류를 대지로 방류시키는 것은? 접지시스템
★★☆
태양광발전시스템의 피뢰시스템에서 외부 피뢰시스템 구성요소 3가지를 쓰시오
- 수뢰시스템
- 인하도선시스템
- 접지시스템
★☆☆
뇌서지 등으로부터 태양광발전시스템을 보호하기 위한 대책으로 맞는 것 2가지를 선택하시오
ⓐ 피뢰소자를 어레이 주회로 내부에 분산시켜 설치하고 접속함에도 설치한다.
ⓑ 저압배전선에서 침입하는 뇌서지에 대해서는 분전반에 피뢰소자를 설치한다.
ⓒ 뇌우 다발지역에서는 직류 전원 측으로 내뢰 트랜스를 설치하여 보다 완전한 대책을 세운다.
ⓐ, ⓑ
★★★
뇌서지 등으로부터 태양광발전시스템을 보호하기 위한 대책 3가지를 쓰시오
- 피뢰소자를 어레이 주회로 내부에 분산시켜 설치하고 접속함에도 설치한다.
- 저압배전선에서 침입하는 뇌서지에 대해서는 분전반에 피뢰소자를 설치한다.
- 뇌우 다발지역에서는 교류전원측으로 내뢰 트랜스를 설치하여 보다 완전한 대책을 세운다.
★☆☆
다음 설명은 뇌뢰를 보호하는 장치의 설명이다. 장치 명을 쓰시오.
1) 전선로에 침입하는 이상 전압의 높이를 완화하고 파고치를 저하시키는 장치는?
서지옵서버
2) 낙뢰에 의한 충격성 과전압에 대하여 전기설비의 단자전압을 규정치 이내로 저감시켜 정전을 일으키지 않고 원상태로 회귀하는 장치는?
어레스터
3) 실드부착 절연트랜스를 주체로 이에 어레스터 및 콘덴서를 부가시키는 장치는?
내뢰트랜스
★☆☆
뇌뢰를 보호하는 장치(Surge Protect Device) 3가지를 쓰시오
1) 어레스터
낙뢰에 의한 충격성 과전압에 대하여 전기설비의 단자전압을 규정치 이내로 저감시켜 정전을 일으키지 않고 원상태로 회귀하는 장치이다.
2) 서지업서버
전선로에 침입하는 이상 전압의 높이를 완화하고 파고치를 저하 시키는 장치이다.
3) 내뢰트랜스
실드부착 절연트랜스를 주체로 이에 어레스터 및 콘덴서를 부가 시킨 것
★☆☆
태양광발전시스템에서 사용되는 피뢰대책용 부품 3가지를 쓰시오
- 어레스터
- 서지옵서버
- 내뢰 트랜스
★☆☆
태양광발전 접속함(KS C 8567 : 2019)에 따른 서지 보호장치(SPD)에 대한 내용이다. 다음 ( )안에 들어갈 숫자를 쓰시오
중대형 접속함(스트링 4회로 이상)의 경우, 출력 회로에 근접하여 서지 보호장치(SPD, Surge Protective Device)를 설치하여야 한다. 서지 보호장치(SPD) 최대 연속 사용전압(Uc)은 접속함 회로 정격전압의 1.2배 이상이어야 하며, 공칭 방전전류(In, 8/20)는 모든 경우에 10[kA] 이상이어야 한다.
★★☆
태양광발전설비에 사용되는 SPD에 대하여 다음 물음에 답하시오

1) 그림을 보고 점선안 SPD 회로도를 완성하시오

2) SPD 구비조건 3가지를 쓰시오
- 동작전압이 낮다.
- 응답속도가 빠르다.
- 정전용량이 작다.
3) 뇌서지 유입경로 3가지를 쓰씨오
- 전력선
- 통신선
- 접지선
★☆☆
축전지의 기대수명은 무엇에 의해 결정하는지 3가지만 쓰시오
- 사용온도
- 방전심도
- 방전횟수
★★☆
독립형 태양광발전설비의 축전지 설계순서를 6가지 순으로 나열하시오
① 부하에 필요한 직류입력전력량을 상세하게 검토한다.
② 설치 예정 장소의 일사량 데이터를 입수한다.
③ 설치 장소의 일사조건과 부하의 중요성에서 일조가 없는 시간을 설정한다.
④ 축전지의 기대수명으로 방전심도(DOD)를 설정한다.
⑤ 일사 최저 월에도 충전량이 부하의 방전량보다 크게 되도록, 태양전지 용량 어레이 각도 등도 함께 결정한다.
⑥ 축전지 용량을 계산한다.
※ 보기를 주고 설계순서 문제도 나왔음.
★☆☆
축전지 부착 계통연계 시스템에서 이용되는 발전방식 3가지를 쓰고 설명하시오
1)
발전방식 : 방재 대응형
설명 : 보통 계통연계시스템으로 동작하고 재해 등의 정전 시에 인버터 자립운전으로 절환함과 동시에 특정 재해대응 부하로 전력을 공급하도록 한다.
2)
발전방식 : 부하 평준화 대응형
설명 : 태양전지 출력과 축전지 출력을 병용하여 부하의 피크 시에 인버터를 필요한 출력으로 운전하여 수전전력의 증대를 억제하고 기본전력요금을 절감시키는 시스템이다.
3)
발전방식 : 계통안정화 대응형
설명 : 태양전지와 축전지를 병렬 운전하여 기후의 급변 시나 계통부하가 급변하는 경우에는 축전지를 방전하고, 태양전지 출력이 증대하여 계통전압이 상승할 때에는 축전지를 충전하여 역전류를 줄이고 전압의 상승을 방지하는 방식이다.
★★☆
태양광발전에 사용되는 계측시스템 구성요소의 역할을 각각 쓰시오
| 구성요소 | 구성요소의 역할 |
| 검출기(센서) | 회로의 전압, 전류, 역률, 주파수를 검출하는 방식 |
| 신호변환기(트랜스듀서) | 검출된 데이터를 컴퓨터 및 먼 거리에 설치한 표시장치에 전송하는 장치 |
| 연산장치 | 계측데이터를 적산하여 일정 기간마다의 평균값 또는 적산값을 연산 |
| 기억장치 | 컴퓨터내의 메모리나 컴팩트 디스크를 사용하여 데이터를 저장하는 장치 |
| 표시장치 | 검출된 데이터를 디스플레이 하여 전압, 전류 등을 알 수 있다. |
★★☆
태양광발전시스템의 계측표시 데이터 사용 목적 4가지를 쓰시오
- 시스템의 운전상태 감시를 위한 계측 또는 표시
- 시스템의 발전전력량을 알기 위한 계측
- 시스템 기기 및 시스템 종합평가를 위한 계측
- 시스템의 운전상황을 견학자에게 보여주고, 시스템의 홍보를 위한 계측 또는 표시
★☆☆
모니터링설비(KS C 8576 : 2015)에 따른 전송장치의 하위 통신 기능을 3가지만 쓰시오
- 데이터 수집
- 데이터 변환
- 데이터 저장
★☆☆
태양광발전시스템의 모니터링 시스템에서 관리대상 요소 4가지를 쓰시오
- 인버터
- 접속반
- 수배전반
- 기상관측 장비
★☆☆
다음은 신재생에너지 측정위치 및 모니터링 항목이다. ( )에 들어갈 적합한 사항은?
| 구분 | 모니터링 항목 | 데이터(누계치) | 측정항목 |
| 태양광, 풍력, 수력, 폐기물, 바이오 | 일일발전량[kWh] | 24개(시간당) | 인버터 출력 |
| 생산시간(분) | 1개(1일) |
★★☆
신재생에너지 모니터링 기준은 다음과 같다. 계측 설비병 ( )에 요구사항을 각각 쓰시오 (단, ± 표시가 있는 항목은 ± 를 함께 쓰시오)
| 계측설비 | 요구사항 | 확인방법 |
| 인버터 | CT 정확도 3[%] 이내 | 관련 내용이 명시된 설비 스펙 제시 인증 인버터는 면제 |
| 온도센서 | 정확도 ±0.3[%] (-20~100[℃]) 미만 | 관련 내용이 명시된 설비 스펙 제시 |
| 정확도 ±1[%] (100~1000[℃]) 이내 | ||
| 유량계, 열량계 | 정확도 ±1.5[%] 이내 | 관련 내용이 명시된 설비 스펙 제시 |
| 전력량계 | 정확도 1[%] 이내 | 관련 내용이 명시된 설비 스펙 제시 |
★☆☆
분산형전원의 설비용량 500 [kW] 미만이면 저압으로 접속할 수 있으며, 500 [kW] 이상이면 특고압으로 접속하여야 한다.
★☆☆
분산형전원 배전계통 연계 기술기준에 따라 3상 수전고객이 단상인버터를 설치하여 분산형전원을 계통에 연계하는 경우 다음 물음에 답하시오
1) 1상 또는 2상설치 시에는 인버터 용량은 몇 이하로 설치해야 하는가?
각 상에 4[kW] 이하로 설치
2) 3상설치 시 인버터 용량은?
상별 동일 용량 설치
★★☆
분산형 전원 발전설비로부터 계통에 유입되는 고조파 전류는 10분 평균한 40차까지 종합전류 왜형률이 5[%]를 초과하지 않도록 각 차수별로 제어하여야 한다.
★☆☆
분산형 전원 발전설비의 연계로 인한 저압계통의 상시 전압변동(10분 평균값)은 3[%] 이하 순시전압 변동(2초 이하)은 6[%] 이하로 한다.
★☆☆
다음 표에 들어갈 특고압계통의 분산형전원의 연계로 인한 순시전압변동률이다. ( )안에 들어갈 순시전압변동률을 쓰시오
| 변동빈도 | 순시전압 변동률 [%] |
| 1시간에 2회 초과 10회 이하 | 3[%] |
| 1일에 4회 이하 | 5[%] |
★★☆
분산형 전원계통에서 특고압 계통의 순시전압 변동률 허용기준을 ( )에 알맞은 내용을 답하시오
| 변동빈도 | 순시전압 변동률 [%] |
| 1시간에 2회 초과 10회 이하 | 3[%] |
| 1일 4회 초과 1시간에 2회 이상 | 4[%] |
| 1일에 4회 이하 | 5[%] |
★★☆
분산형 전원계통에서 순시전압변동의 연계기준에 대하여 ( )에 알맞은 내용을 답하시오
1) 특고압 계통의 경우, 해당 분산형 전원의 변동 빈도를 정의하기 어렵다고 판단되는 경우에는 순시전압변동률 3[%] 적용한다.
2) 특고압 계통의 순시전압변동률 허용 기준
| 변동빈도 | 순시전압 변동률 [%] |
| 1시간에 2회 초과 10회 이하 | 3 |
| 1일 4회 초과 1시간에 2회 이상 | 4 |
| 1일에 4회 이하 | 5 |
3) 저압계통의 경우, 계통 병입시 돌입전류를 필요로 하는 발전원에 대해서 계통 병입에 의한 순시전압변동률이 6[%]를 초과하지 않아야 한다.
★☆☆
분산형 전원 배전계통 연계 기술기준에서 정의하는 전기를 저장하거나 공급할 수 있는 시스템인 양방향 분산형 전원의 종류 2가지를 쓰시오
- 전기저장장치(ESS : Energy Storage System)
- 전기자동차 충·방전 시스템(V2G : Vehicle to Grid)
★☆☆
분산형전원의 계통연계 또는 가압된 구내계통과 가압된 한전계통에 대한 연계에 대하여 병렬연계 장치의 투입 순간에 동기화되어야 하는 변수 3가지를 쓰시오
- 주파수 차(주파수)
- 전압 차(전압)
- 위상각 차(위상각)
★☆☆
분산형전원 배전계통 연계 기술기준에 따라 한전계통의 일부가 한전계통의 전원과 전기적으로 분리된 상태에서 분산형 전원에 의해서만 가압되는 상태를 무엇이라 하는가?
단독운전
★☆☆
분산형전원 배전계통 연계 기술기준에 따라 분산형 전원을 계통에 연계할 경우 고려되는 전기품질 항목 4가지를 쓰시오
- 직류유입제한
- 역률
- 플리커
★★☆
독립형 전원시스템용 축전지가 갖추어야할 조건 5가지만 쓰시오
- 자기 방전율이 낮은 것
- 충방전 사이클 특성이 우수한 것
- 과충전 및 과방전에 강할 것
- 방전 전압·전류가 안정적일 것
- 에너지 저장 밀도가 높을 것
- (그 외) 가격이 저렴하다
- (그 외) 수명이 길 것
- (그 외) 중량 대비 효율이 좋을 것
- (그 외) 환경변화에 안정적일 것
- (그 외) 에너지 저장 밀도가 높을 것
- (그 외) 유지보수가 용이할 것
※ 4가지 고려사항 문제 출제
★☆☆
독립형 태양광발전 시스템을 구성하는 요소 4가지를 쓰시오
- 태양전지 모듈
- 충방전 제어장치(DC-DC 컨버터)
- 인버터
- 축전지
※ 참조사진

★☆☆
계통연계형 태양광발전설비의 필수 구성요소 5가지만 쓰시오
- 태양전지모듈
- 접속반
- DC 케이블
- DC 메인 절연 스위치(차단기)
- 인버터
- (그 외) AC 케이블
- (그 외) 배전시스템
- (그 외) 공급 계량기 및 차단기
- (그 외) 송전설비
★☆☆
음영에 의한 태양광발전시스템에 영향을 주는 인자 5가지를 쓰시오
- 음영된 모듈의 수
- 전지와 바이패스 다이오드의 상호 연결 음영의 정도
- 시간에 따른 음영의 공간 분포와 경로
- 모듈의 상호 연결
- 인버터 설계
★☆☆
태양광발전 접속함(KS C 8567:2019)에 따라 통상적인 태양광발전 접속함의 병렬 스트링 수에 의한 분류이다. ( )에 들어갈 내용은?
| 병렬 스트링 수에 의한 분류 | 설치장소에 의한 분류 |
| 소형(3회로 이하) | 실내형 : IP54 이상 |
| 실외형 : IP54 이상 | |
| 중대형(4회로 이상) | 실내형 : IP20 이상 |
| 실외형 : IP54 이상 |
★☆☆
순시전압변동 범위 유지가 불가할 경우 연계 방법 2가지를 쓰시오
- 계통용량증설 또는 전용선로로 연계
- 상위전압의 계통으로 연계
★☆☆
태양광발전에서 하이브리드형 시스템 (hybrid system)에 대하여 설명하시오
하이브리드 시스템은 태양광발전 시스템에 풍력발전, 열병합발전, 디젤발전 등의 타 에너지원의 발전시스템과 결합하여 전력저장, 부하 혹은 상용계통에 전력을 공급하는 시스템이다.
★☆☆
태양광 발전과 태양열 발전의 차이점을 간단히 쓰시오
태양열은 태양의 열에너지를 이용하여 난방이나 온수를 위해 주로 사용을 하고 태양광은 태양의 빛에너지를 이용하여 전기를 만드는데 주로 사용함
★☆☆
축전지실 기기 상호간의 최소 이격 거리에 대한 다음 물음에 답하시오
1) 전용실 축전지 열상호간 최소 이격 거리는? 600[mm]
2) 전용실 충전기, 큐비클 점검면 최소 이격 거리는? 600[mm]
3) 전용실 축전지 기타의 면 최소 이격 거리는? 1000[mm]
4) 기타실 큐비클 점검면 최소 이격 거리는? 600[mm]
5) 기타실 큐비클 환기구 방향면 최소 이격 거리는? 200[mm]
★☆☆
태양광발전시스템 시공 중 지반계측에 사용되는 계측기기에 대한 설명이다. 물음에 답하시오
1) 지반이 연약하여 지반변위가 예상되거나, 공사로 인해 영향을 주는 범위 내에 중요한 구조물이 있는 경우에 적용하는 계측기기를 쓰시오 지중경사계
2) 지하수의 변화가 예상되어 계측결과 분석에 지하수를 반영하여야 하는 경우네 적용하는 계측기를 쓰시오 지하수 수위계
★★☆
태양전지의 출력은 일사강도나 태양전지 표면온도에 의해서 변동한다. 인버터 입력의 변화에 따라 최대출력을 발생하도록 하는 제어는?
최대전력 추종(MPPT : Maximum Power Point Tracking) 제어
★☆☆
태양광인버터에는 단독운전 방지기능이 내장되어 있다. 단독운전 방지기능 중 능동적 운전방식에 대하여 설명하시오
능동적 방식(검출시한 0.5~1초) : 항상 파워컨디셔너에 변동요인을 주어 계통연계 운전시에는 그 변동요인이 출력에 나타나지 않고, 단독 운전시에만 그 이상을 검출하는 방식이다.
★☆☆
태양광발전시스템의 구분에서 전력회사와 연계하여 부족한 전력은 매입하고, 잉여전력을 역송전 하는 발전시스템을 무엇이라 하는가 답하시오
역송병렬 계통연계형
★☆☆
축전지 부착 계통연계 시스템에서 이용되는 발전방식 3가지를 쓰시오
- 방재 대응형
- 부하 평준화 대응형
- 계통안정화 대응형
★☆☆
축전지 부착 계통연계 시스템에서 이용되는 발전방식 3가지를 쓰고 설명하시오
- 방재 대응형 : 보통 계통연계시스템으로 동작하고 재해 등의 정전 시에 인버터 자립운전으로 절환함과 동시에 특정 재해대응 부하로 전력을 공급하도록 한다.
- 부하 평준화 대응형 : 태양전지 출력과 축전지 출력을 병용하여 부하의 피크 시에 인버터를 필요한 출력으로 운전하여 수전전력의 증대를 억제하고 기본전력요금을 절감시키는 시스템이다.
- 계통안정화 대응형 : 태양전지와 축전지를 병렬 운전하여 기후의 급변 시나 계통부하가 급변하는 경우에는 축전지를 방전하고, 태양전지 출력이 증대하여 계통전압이 상승할 때에는 축전지를 충전하여 역전류를 줄이고 전압의 상승을 방지하는 방식이다.
★☆☆
태양광 시스템 구성 기기 중에서 태양전지모듈을 제외한 주변기기인 BOS(Balance of System)에 해당하는 기기 3가지만 쓰시오
- 태양광 인버터
- 접속반
- 가대
'에너지 > 신재생에너지발전설비기사(태양광) 실기' 카테고리의 다른 글
| [신재생에너지발전설비기사(태양광) 실기 계산 02] 태양광발전의 발전량, 발전원가, 판매수익, 경제성검토 계산 (2) | 2024.12.13 |
|---|---|
| [신재생에너지발전설비기사(태양광) 실기 계산 01] 시공 관련 계산 문제 (4) | 2024.11.28 |
| [신재생에너지발전설비기사(태양광) 실기] 단답형 총정리_유지관리, 시험, 측정 (4) | 2024.11.12 |
| [신재생에너지발전설비기사(태양광) 실기] 단답형 총정리_시공, 감리 (2) | 2024.11.12 |
| [신재생에너지발전설비기사(태양광) 실기] 단답형 총정리_환경조사, 인허가, 사업 (2) | 2024.07.04 |





